DP系列微型电动隔膜泵
DP型微型电动隔膜泵是用微型直流电动机(电压为12V、24V的电动机)做动力驱动装置,驱动内部机械偏心装置做偏心运动,由偏心运动带动内部的隔膜做往复运动。
目录
概述
DP型微型电动隔膜泵是用微型直流电动机(电压为12V、24V的电动机)做动力驱动装置,驱动内部机械偏心装置做偏心运动,由偏心运动带动内部的隔膜做往复运动。从而对固定容积的泵腔内的空气进行压缩(压缩时抽气口关闭,排气口打开形成微正压)、拉伸(压缩时排气口关闭,抽气口打开形成负压),在泵抽气口处与外界大气压产生压力差,在压力差的作用下,将气体压(吸)入泵腔,再从排气口排出。
一、DP型微型电动隔膜泵产品特点:
1.噪音低、耐腐蚀、压力高,自吸高度5m.
2.介质温度可达60℃.
3.允许干运转.
4.内装压力开关以保护泵运转时不受损坏.
5.内装溢流阀控制泵的正常运行.
6.拆装方便.
7.采用安全低电压,保证人身安全.
二、DP型微型电动隔膜泵产品用途:
1.适用于家用自来水增压、汽车冲洗、轮船上海水淡化.
2.适用于反渗透纯水机、水处理设备、过滤机、喷雾装置、化工计量加液及卫生、环保、印刷等行业中使用.
三、DP型微型电动隔膜泵安装指南:
1.安装时,需拔出隔膜泵进出口的封盖.
2.装有随泵附带的进出口接头,DP-130 DP-125 DP-100 DP-60型隔膜泵进出口采用ZG3/8″外牙G29/64″弯管接头;DP-35隔膜泵进出口采用3/8″外牙软管接头.
3.泵应按水平安装;如需垂直安装时,泵头应朝下.
4.在泵的进出管道中安装一个过滤器,这是泵有效使用的保证.(DP-35型泵头内已装有过滤网,无需安装过滤器).
5.泵的底座分尼龙底座,铁底座橡胶脚柱.
微型隔膜泵指的就是微型真空泵,指具备一进一出的抽气嘴、排气嘴各一个,内部通过机械装置使泵内部的隔膜做往复式运动,并且在进口处能够持续形成真空或负压,排气嘴处形成微正压;工作介质主要为气体,体积小巧的一种仪器。
工作原理
DP型微型电动隔膜泵第一种工作模式:电机的圆周运动,通过机械装置使泵内部的隔膜做往复式运动,从而压缩、拉伸泵腔内的空气形成负压,在抽气口处与外界大气压产生压力差,在压力差的作用下,将气体吸入泵腔,再从排气口排出。
DP型微型电动隔膜泵第二种工作模式:微型隔膜泵是利用螺杆的回转来吸排液体的。微型隔膜泵中间螺杆为主动螺杆,由 原动机带动回转,两边的螺杆为从动螺杆,随主动螺杆作反向旋转。主、从动螺杆的螺纹均为双头螺纹。 由于各螺杆的相互啮合以及螺杆与衬筒内壁的紧密配合,在微型隔膜泵的吸入口和排出口之间,就会被分隔成一个或多个密封空间。随着螺杆的转动和啮合,这些密封空间在泵的吸入端不断形成,将吸入室中的液体封入其中,并自吸入室沿螺杆轴向连续地推移至排出端,将封闭在各空间中的液体不断排出,犹如一螺母在螺纹回转时被不断向前推进的情形那样,这就是微型隔膜泵的基本工作原理。
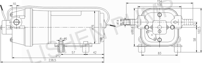
安装尺寸图
一、DP-60微型隔膜泵安装尺寸图:

二、DP-35微型隔膜泵安装尺寸图:

三、DP-130微型隔膜泵安装尺寸图:

四、DP-60A微型隔膜泵安装尺寸图:

五、DP-100A微型隔膜泵安装尺寸图

六、DP-100微型隔膜泵安装尺寸图:

七、DP-60N微型隔膜泵安装尺寸图:

八、DP-125微型隔膜泵安装尺寸图:

性能曲线图
|
一、DP-60微型隔膜泵性能曲线图: |
性能参数
|
型号 |
电压 |
最大出流 |
最大流量 |
转速 |
最高压力 |
吸程 |
调压开关 |
功率 |
|
(VDC) |
(A) |
GPM(L/min) |
(r/min) |
Psi(MPa) |
(m) |
Psi(MPa) |
(W) |
|
|
DP-35 |
12 |
7 |
2.5(9.5) |
1200 |
35(0.24) |
5 |
35(0.24) |
40 |
|
24 |
4.8 |
3.2(12) |
1300 |
35(0.24) |
5 |
35(0.24) |
40 |
|
|
DP-60 |
12 |
6 |
1.3(5.0) |
1200 |
60(0.42) |
5 |
60(0.42) |
40 |
|
24 |
3 |
1.3(5.0) |
1200 |
60(0.42) |
5 |
60(0.42) |
40 |
|
|
DP-60N |
12 |
6 |
1.3(5.0) |
1200 |
60(0.42) |
5 |
60(0.42) |
40 |
|
24 |
3 |
1.3(5.0) |
1200 |
60(0.42) |
5 |
60(0.42) |
40 |
|
|
DP |
12 |
3.5 |
0.8(3.0) |
375 |
60(0.42) |
5 |
- |
20 |
|
DP-100 |
24 |
1.1 |
0.32(1.2) |
375 |
100(0.68) |
5 |
100(0.68) |
10 |
|
DP-100(A) |
24 |
1.1 |
0.32(1.2) |
375 |
100(0.68) |
5 |
100(0.68) |
10 |
|
DP-125 |
24 |
1 |
0.26(1.0) |
375 |
125(0.86) |
5 |
125(0.86) |
10 |
|
DP-130 |
24 |
1.2 |
0.45(1.7) |
470 |
130(0.90) |
5 |
/ |
15 |
|
12 |
2.2 |
0.45(1.7) |
470 |
130(0.90) |
5 |
/ |
15 |
|
|
DP-130(B) |
12 |
2.2 |
0.45(1.7) |
470 |
130(0.90) |
5 |
125(0.86) |
15 |
2、单位换算:GPM-加仑/分;L/min-升/分;psi-磅/平方英寸;1加仑(美国)=3.785升;1MPa=145psi;
3、本公司备有各类型的变压器,若用户无系统变压设备,可增购适用变压器,以使隔膜泵正常运转;
4、DP-60N微型电动隔膜泵“N”代表丁晴耐油膜片。
联系电话:021-66315716、56095669、56539939 传真: 021-56537397 ICP备:沪ICP备11019346号-5
友情连接:


















